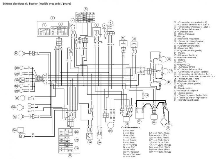
Hadrhien Posté(e) le 1 juillet 2014 Signaler Posté(e) le 1 juillet 2014 (modifié) Bonjour, J'ai récupéré un Nitro, j'ai inter-changé deux bloc, seulement les couleurs figurant sur l'allumage monté sur mon précédent bloc ne sont pas les mêmes que que j'ai monté et donc pas en accord avec ma tresse électrique. Please, de l'aide c'est à m'en arracher les cheveux ! Pour reprendre à zéro, ou brancher quoi, schéma possible s'il vous plait. Exemple : Allumage, file bleu et blanc sortie sur noir et rouge de la tresse ou encore exemple : allumage noir/rouge sortie sur le fil jaune/rouge et en plus le fil blanc. PS : Je voudrai juste une petite étincelle histoire de démarrer mon BM et où, mettre ma masse pour avoir l'idéal ? Photo ci dessous : Modifié le 1 juillet 2014 par Hadrhien
jimmy@ Posté(e) le 1 juillet 2014 Signaler Posté(e) le 1 juillet 2014 c'est pour booster , mais les allumages sons les mêmes .
Hadrhien Posté(e) le 1 juillet 2014 Auteur Signaler Posté(e) le 1 juillet 2014 Sacré jimmy10, qui refait surface ! :D Je regarde cela, en espérant que sa m'aide... PS : Photo de ma prépa bientôt disponible ce n'est qu'une questions de quelques jours.
Hadrhien Posté(e) le 1 juillet 2014 Auteur Signaler Posté(e) le 1 juillet 2014 Et bien, toujours pas de solution trouvé, quelqu'un pour me dire quoi brancher et ou... :non: !
Messages recommandés