Aller au contenu

Question

Posté(e)

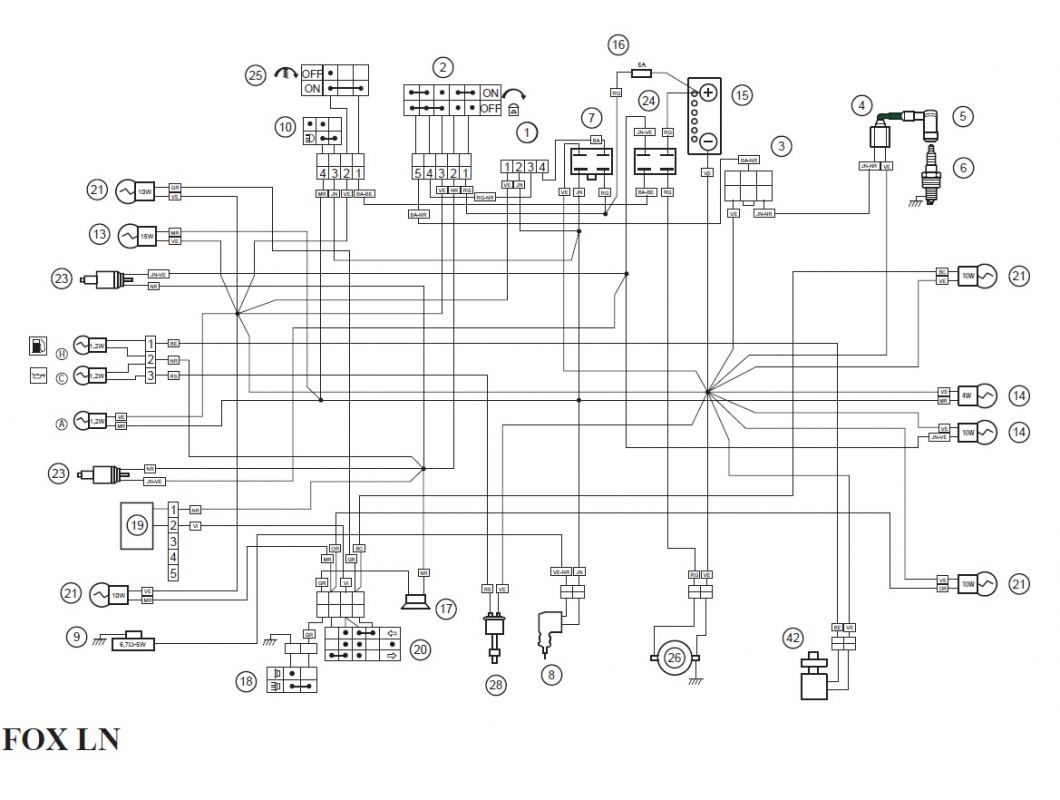
Salut. j'ai un Peugeot Fox Deluxe 2002 ceux qui connaissent savent que ces modeles sont equiper a l origine d une batterie et un démarreur

Seulement les anciens posseseur de ce Fox se sont servis dessus. plus de batterie ni de démarreur...

Je possede une batterie neuve que je souhaite remettre dessus le hic c'est que ceux d avant ont cafouiller la tresse électrique au point ou il m est impossible de retrouver les 2 fils + et - pour connecter la batterie affin qu elle recharge en roulant.

D après ce que je sais en principe ca part du volant magnetique a un regulateur et ensuite du regulateur a la batterie.

Le mieux à faire et de refaire le cablage d alimentation de la batterie en repartir a zéro depuis le volant magnetique.

ne trouvant aucun shema électrique de cette partie je compte sur les CONNAISSEURS de ce site pour m expliquer comment faire pour relier ma batterie au volant magnetique car je ne sais pas sur quel couleurs de fils du volant je dois démarrer pour atteindre le regulateur et ensuite a la batterie (PS je sais pas a quoi ressemble le regulateur de batterie sur Fox Deluxe 2002)

Pour vous aider a m aidez les fils sortant du volant sont 1 vert - 1 jaune - 1 rouge et noir - 1 bleu

merci a vous de m aider car j'ai plus d eclairage et de clignotant

 

11 réponses à cette question

Messages recommandés

  • 0
Posté(e)

12 vue et toujours pas de réponse c'est depriment venant de ce site. ou sont les connaisseurs?!

Soit. j ai regarder plus en profondeur a la tresse électrique du Fox et j'ai trouver le regulateur il est fixer au cadre sous la selle. sur ce regulateur y a une partie métalique pour le fier au cadre je suppose que cette partie métalique du regulateur sert de prise de masse puis. toujours sur ce regulateur y a aussi 2 fils qui en sortent un vert et un jaune

Mais je ne vois pas comment y brancher ma batterie s'il vous plaît besoins d aide merci

  • 0
Posté(e) (modifié)

Les seuls schémas avec batterie sont SEfoxln..... Il existe un forum wallaroo-fox va voir dessus si tu trouves

 

Modifié par om1383
  • 0
Posté(e)

Merci de vouloir m aider en m envoyant les shema mais je suis sur Xbox elle prend pas le format PDF et j'ai déjà ete voir sur le forum Wall/Fox et il parle que des branchement d eclairage sur batterie pas de commennt la brancher pour qu elle recharge

  • 0
Posté(e)

Merci de vouloir m aider en m envoyant les shema mais je suis sur Xbox elle prend pas le format PDF et j'ai déjà ete voir sur le forum Wall/Fox et il parle que des branchement d eclairage sur batterie pas de commennt la brancher pour qu elle recharge

sur Xbox ??

  • 0
Posté(e)

sur xbox ?  fait l’effort  au moins   d’être  sur pc pour recevoir  les documents  que les personne ici  prenne le temps de t'envoyer

car la tu deviens  dépriment pour le forum

 

  • J'aime 1
  • 0
Posté(e)

Desoler que mon PC a rendu l ame et que j'ai juste un telephone basique j'ai plus que ma Xbox pour surfer le temps que mon PC revienne de réparation

En attendant la vous êtes HS ma question est simple pour une personne qui s y connais

COMMENT RELIER UNE BATTERIE A UN REGULATEUR DE PEUGEOT FOX DELUXE 2002?

soyez comprehansif je fais ce que je peux pas ce que je veux au lieu de me blamer parceque j'ai pas acces a un PC expliquer tout simplent comment faire c'est pas chinois j'ai l impression de demander comment démonter un bas moteu ors que je demande simplement quel sont les 2 fils du regulateur a relier sur le + et  - de la batterie

Invité
Ce sujet ne peut plus recevoir de nouvelles réponses.
×
×
  • Créer...