Aller au contenu
  • 0

[Citystar] Montage feux Led + feux croisement/route sur les deux optiques


Question

Posté(e) (modifié)

Salut !

 

Sur le Citystar, vous avez deux optiques, mais pas simultanés (route/croisement).

Le câblage pour avoir le simultané est assez simple mais pour éviter de cramer l'allumage il est conseillé de passer en Led.

 

Sauf que, le Led n'aime pas le courant alternatif, ou du moins appelé techniquement du "continu pulsé" après que l'alternatif passe dans le régulateur.

Mais ca ne change rien au fait que le pulsé fait varié l'intensité selon le régime moteur.. :crying: et c'est moche du Led qui vacille, voir clignote quand régime au ralenti bien bas.

 

J'ai voulut régler le souci, en essayant de comprendre le schema électrique trouvable en pdf, en amenant du continu (après contact) sur le câblage des feux avant/arrière. Chose faite et réussi ! Seulement...

 

Pensant que ma batterie, que j'ai changé pour une 6.5Ah au lieu des 4 d'origine, tiendrait le coup puisque LED, branchement après contact et que recharge (ou du moins "maintient") en roulant, j'ai fait un petit midi d'uber eats (livreur) de 4h, après quoi je ne pouvais plus démarrer électriquement.. il me restait les feux et compagnie mais plus assez pour le démarreur.

Une fois chez moi je test avec un appareil pour voir si le scoot recharge bien ma batterie moteur allumé, et bah non.. et quand je débranche mes deux feux avant, là l'outils me signale que ma batterie se recharge.

 

Je bug du coup.. j'ai un souci quelque part ? Certes c'est sur batterie, mais les Led font 20w (x2) + veilleuse 10w (x2) + feux arrière 5w on est donc sur du 65w, en ampoule en tout cas.. et l'allumage envoi 90w d'après la fiche atelier. Ca reste quand même trop pour pouvoir charger convenablement ? 

 

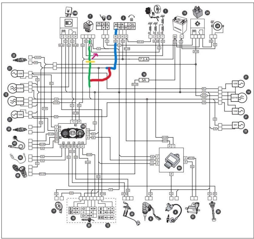
Je vous joint ici une image du schema et ce que j'ai fait:

en BLEU c'est le cablage après contact, qui amène du 12v continu

j'ai couplé (sans sectionner), en ROUGE, un câble qui va du BLEU au VERT. Le VERT qui est le continu pulsé amené aux ampoules avant/arrière.

Le VERT lui j'ai dû le sectionner plus haut, en JAUNE, car pas compatible avec le continu pulsé (ça faisait sauter le fusible).

 

Donc voilà, j'ai bien du continu a mes feux, mais je sais pas si j'aurai pu/du faire autrement et que c'est ça qui amène a vider ma batterie..

N'hésitez pas a me dire ou a me gronder, me préciser sur le schéma si je peux faire autrement ou si c'est juste logique que ma batterie se vide ...snif...

Ce qui me bute c'est que certains citystar ont étés a carburateur ET a Led, sur une seule année ! 2017. Ensuite c'est en injection et là plus rien n'est pareil électriquement parlant. Mais eux du coup aucun soucis de batterie...

 

PS: j'ai enlevé la câblage pour le double optique en fin de soirée, demain je verrais donc si ça consomme moins en attendant.

 

 

Capture d’écran 2023-12-27 1727142.jpg

Modifié par benjamin59

8 réponses à cette question

Messages recommandés

  • 0
Posté(e) (modifié)

Je me réponds, j'ai trouvé le problème, mais pas de solution quand a un montage simple, sans passer par un interrupteur/câblage externe.

 

le souci est donc qu'en coupant (JAUNE) l'alternatif (VERT) pour y mettre du continu (ROUGE), mon circuit de recharge ne prends plus que 8v environ, au lieu des 13-15v, donc ne recharge plus la batterie comme il faut.

 

Ou puis-je rebrancher ce câble (VERT) ailleurs, pour retrouver les 13-15v pour recharger ma batterie ? Sans que ça fasse sauter le fusible (comme quand je le rebranche avec le ROUGE couplé)

 

Merci ! 

Modifié par benjamin59
  • 0
Posté(e)

Je me re réponds, personne ne m'aime t'façon, j'ai trouvé la solution. 

Ca en aidera plus d'un ou ça me rappellera plus tard quand je voudrais refaire ça.

 

J'ai repiqué le câble VERT avant la section JAUNE sur l'autre câble "JN" juste a côté. Je n'explique pas le pourquoi du comment, je ne sais même pas j'ai testé plein de truc par dépit a un moment donné..

 

A surveiller si ça ne brule pas un d'ses quatre.

 

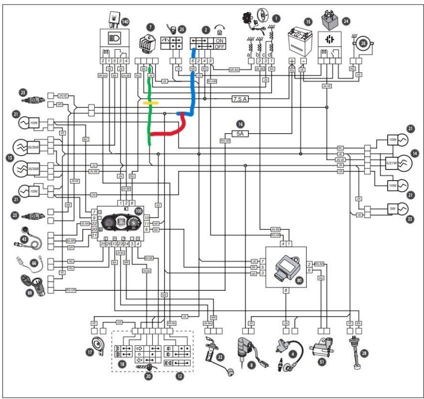
Schéma joint, avec la ptite fleche ROSE ajouté pour ceux qui veulent un dessin.

 

Capture d’écran 2023-12-27 1727143.jpg

  • Merci 1
  • 0
Posté(e)
Il y a 3 heures, benjamin59 a dit :

Je me re réponds, personne ne m'aime t'façon, j'ai trouvé la solution. 

Ca en aidera plus d'un ou ça me rappellera plus tard quand je voudrais refaire ça.

 

J'ai repiqué le câble VERT avant la section JAUNE sur l'autre câble "JN" juste a côté. Je n'explique pas le pourquoi du comment, je ne sais même pas j'ai testé plein de truc par dépit a un moment donné..

 

A surveiller si ça ne brule pas un d'ses quatre.

 

Schéma joint, avec la ptite fleche ROSE ajouté pour ceux qui veulent un dessin.

 

Capture d’écran 2023-12-27 1727143.jpg

On t’aime benji on pige juste rien a l’electronique :wub:

(je parle pour moi, d’ailleurs c’est les seules fois ou je vais chez un pro, avec les pneus aussi)

 

  • Merci 1
  • 0
Posté(e) (modifié)

Bon ben j'ai carrément un changement de comportement du scooter avec juste cette modif électrique :blink: incroyable

 

J'ai l'impression qu'il a acquis une compression de fou, il gueule a l'accélération comme jaja, mais j'ai jamais eu un citystar aussi puissant entre les mains... et ce couple.. je n'ose même pas y aller pleine poignée tellement j'ai la sensation qu'il pourrait exploser, littéralement.

Je suis mitigé a laisser comme tel et juste toucher a la transmi pour calmer un peu le bruit..

 

Je vais reprendre les mesures au multimètre avant tout, au CDI surtout, je ne vois que là ou ça pourrait faire ce changement là.. comme si ça avait changer l'avance, ou niveau étincelle peut-être... je sais pas l'expliquer pour l'instant.

Comment une modif sur le faisceau des ampoules pourrait faire ça... ou alors j'ai pas de pot et la synchro voudrait que j'ai un souci qui n'a rien a voir, survenu en même temps que ma modif. 

 

Je met a jour ce post a chaque découverte/problème/soluce.

Modifié par benjamin59
  • 0
Posté(e) (modifié)

Bon, mise a jour.

 

en fait l'allumage ne fourni pas assez pour recharger la batterie (j'ai acheté une putain de 12Ah 210cca au lieu des 4Ah d'origine) avec le branchement des deux phares en même temps, même en Led.

La batterie ne tient pas une journée, j'ai le voyant qui s'allume.

 

En feux simple, pas de voyant depuis plusieurs jours. J'ai juste laisser les pleins phares en duo quand même, vu que c'est rare de l'utiliser, et ça tiens pour l'instant.

 

J'ai changé mes veilleuses (qui ne servent a rien perso) pour les transformer en clignotant (led orange), sympa.

  

Je vais voir du côté des citystar a injection (Euro 4), qui ont un allumage qui fourni un peu plus d'après des docs (6 bobines sur le miens, 8 a 12 bobines selon certains modèle) mais avec un faisceau différent. 

Si il y a pas trop a adapter, et si j'en trouve un d'occasion pas cher pour tester avant.

 

J'avais jeter un oeil sur les versions 125, qui fournissent encore beaucoup plus, mais les fixations de la platine sont carrément différentes, j'irais pas aussi loin dans les modifs.

 

Infos sympathique (que j'aurais aimé avoir eu dès le début), si jamais vous avez vos Led qui clignotent, c'est parce que vous avez encore des ampoules quelque part.

De mon côté j'avais oublié les clignotants encore en ampoule et c'était pas terrible et ensuite j'avais encore aussi la petite ampoule d'éclairage de plaque. 

Une fois tout changé en Led, l'intensité reste enfin stable. 

 

Modifié par benjamin59
  • J'aime 1
  • 0
Posté(e)
Le 16/01/2024 à 18:48, benjamin59 a dit :

Bon, mise a jour.

 

en fait l'allumage ne fourni pas assez pour recharger la batterie (j'ai acheté une putain de 12Ah 210cca au lieu des 4Ah d'origine) avec le branchement des deux phares en même temps, même en Led.

La batterie ne tient pas une journée, j'ai le voyant qui s'allume.

 

En feux simple, pas de voyant depuis plusieurs jours. J'ai juste laisser les pleins phares en duo quand même, vu que c'est rare de l'utiliser, et ça tiens pour l'instant.

 

J'ai changé mes veilleuses (qui ne servent a rien perso) pour les transformer en clignotant (led orange), sympa.

  

Je vais voir du côté des citystar a injection (Euro 4), qui ont un allumage qui fourni un peu plus d'après des docs (6 bobines sur le miens, 8 a 12 bobines selon certains modèle) mais avec un faisceau différent. 

Si il y a pas trop a adapter, et si j'en trouve un d'occasion pas cher pour tester avant.

 

J'avais jeter un oeil sur les versions 125, qui fournissent encore beaucoup plus, mais les fixations de la platine sont carrément différentes, j'irais pas aussi loin dans les modifs.

 

Infos sympathique (que j'aurais aimé avoir eu dès le début), si jamais vous avez vos Led qui clignotent, c'est 

 

Merci pour avoir partagé tous ça est-ce que je peux te contacter pour te poser des questions ? j’ai également un city star

  • 0
Posté(e)
il y a 13 minutes, damskeee a dit :

Merci pour avoir partagé tous ça est-ce que je peux te contacter pour te poser des questions ? j’ai également un city star

 

Fais donc ! 

  • 0
Posté(e)

Salut je crois que dans ton premier calcul tu t'es trompé énormément tu as oublié de compter l'allumage du moteur qui lui aussi consomme et aussi le démarreur électrique sans compter la consommation des feux de stop tes 90 watts doivent être englouti 

Créer un compte ou se connecter pour commenter

Vous devez être membre afin de pouvoir déposer un commentaire

Créer un compte

Créez un compte sur notre communauté. C’est facile !

Créer un nouveau compte

Se connecter

Vous avez déjà un compte ? Connectez-vous ici.

Connectez-vous maintenant
×
×
  • Créer...