Tout ce qui a été posté par le_salvatore
-
mécaboîte Aprilia RS ne séteint pas
le_salvatore a répondu à un(e) question de le_salvatore dans Electricité
j'ai beaucoups de fil de débrancher depuis toujours. mais elle se coupait tandi que maintenant elle sembale et ne se coupe plu. Sa viendrait de quel file ? -
Bonsoir depuis peux mon RS ne séteint plus quand je coupe le contacte et bouge la clef. Je suis obliger de devoir la faire caler pour la couper
-
scooter peugeot Leovince ZXR
le_salvatore a répondu à un(e) question de le_salvatore dans Échappement
Si ce n'est que sa je n'ais qua réaleser à la dremel. Les patins d'embrayage usée joue beaucoups sur les perf ? -
scooter peugeot Leovince ZXR
le_salvatore a répondu à un(e) question de le_salvatore dans Échappement
En magasin on mas conseiller et donner des 6.2gr .Mais je dépasse pas les 55km/h alors en cherchant un peu je suis tomber sur un topic avec un gars qui avait le même problème même scoot avec des galet de 6.5gr pour un Leovince tt. il a remis les galet d'origine 7.5gr et maintenant il vas a 75km/h. Donc puisque on a le même scoot, presque le même pot et bloquer tous les 2 à 55km/h, ece que mes galet de 6.2gr sont trop léger et je devrait remetre des 7.5 ?? -
bonjour, alors voilà j'ai un Peugeot Vivacity avec un pot Leovince zrx. J'aimerait savoir qu'elle galet je doit mettre dedans ?
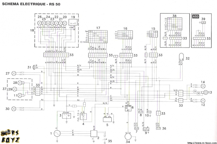
-
Bonsoir, je vient d'acheter une Aprilia RS 50 de 2000 et beaucoups de cables son débrancher. j'ai réussi a trouver un schéma mais les numéro ne sont pas expliquer. Si vous avez un schéma ou savez à quoi corresponds les numéros merci de maider
-
mécaboîte Bruit Aprilia RS 50
le_salvatore a répondu à un(e) sujet de le_salvatore dans Diagnostic de panne
C'est bon j'ais régler le problème qui étais vraiment une con**** . merci de ton aide Bubulle -
mécaboîte Bruit Aprilia RS 50
le_salvatore a répondu à un(e) sujet de le_salvatore dans Diagnostic de panne
en fait sa claque a un moment régulier, je ne pense pas avoir serer le moteur parcequ'elle démare sans aucune difficulter. pour la vidéos je vais esseyer mais pas avant mercredi. merci -
Bonsoir, J'ais un problème avec mon RS 50. Je l'ais acheter mercredi d'occasion et elle roulait parfaitement encort jusqu'il y a 2h. Je suis sortit faire un tour ,je tape la 2ieme et je la pousse (la batterie est morte) la elle démarre au quart de tours comme d'habitude je roule 1h -1h30 puis je m'arrête a une prioritée et c'est la que le problème est venu. je repasse la 1iere et repart et à partir de la j'ai un quack regulier qui se fait et qui accélère en même temps que moi. même au point mort quand je la pousse on l'entend et on le ressent. merci de m'aider
-
scooter peugeot Problème vitesse Peugeot Vivacity
le_salvatore a répondu à un(e) question de le_salvatore dans Configuration
le mien est noir donc il n'est pas brider au cdi ? -
scooter peugeot Problème vitesse Peugeot Vivacity
le_salvatore a répondu à un(e) question de le_salvatore dans Configuration
Dernière question : ça se peux que les vivacity soit brider au CDI ? -
scooter peugeot Problème vitesse Peugeot Vivacity
le_salvatore a répondu à un(e) question de le_salvatore dans Configuration
Ok .Bhin merci a vous 2 -
scooter peugeot Problème vitesse Peugeot Vivacity
le_salvatore a répondu à un(e) question de le_salvatore dans Configuration
et je peux garder mon petit carburateur de 12 ou je doit le ré-aleser ? -
scooter peugeot Problème vitesse Peugeot Vivacity
le_salvatore a répondu à un(e) question de le_salvatore dans Configuration
le cylindre a été changer mais je serais pas vous dire si mon vendeur ma filer une classe A ou B (si vous savez me dire le diametre de vos transfert sa pourait m'aider). pour le coude du pot comme se n'est plu le pot d'origine il n'y a plu de ploblème. j'avais pas de boîte à air qd j'ai acheter mon scoot alors j'ai acheter qui vas sur viva , speedfight et trekker et donc si j'ai bien comprit me reste plus qua changer de gicleur et me faire une prépas moteur ? -
scooter peugeot Problème vitesse Peugeot Vivacity
le_salvatore a répondu à un(e) question de le_salvatore dans Configuration
Oui les classe A sont bient des 25km/h (en réaliter ce sont les même moteur mais a la place d'étre brider a 45 ils le sont a 25 ) et je sais pas si il y en a en France car je suis de Belgique. Mon but est de faire au du 70-80 vitesse réél. je prend les quai toute la semaine voir cazi touts les jours et les nationale assez souvent et je doit avouer que rouler le plus a droite ou dans les ravel ça commence a me souler. -
scooter peugeot Problème vitesse Peugeot Vivacity
le_salvatore a répondu à un(e) question de le_salvatore dans Configuration
Tu sais pas me dire je doit mettre un de combient stpl ? Alain dans un autre post tu dit que le ressort blanc d'origine est plus dure que je jaune Malossi. Je doit remettre celui d'origine en sachant qu'il a presque 50 000km ? Désoler Naguael je sais pas comment mettre des photo -
scooter peugeot Problème vitesse Peugeot Vivacity
le_salvatore a répondu à un(e) question de le_salvatore dans Configuration
pour mon pot c'est un Leovince ZXR. Oui la flasque n'est plus la. Je voulait le débrider et je me suis rendu compte quelle n'y était déjà plu. J'avais penser peux être augmenter mon gicleur (parait qu'il faut augmenter de 10pt) et préparer ma boîte à air ?? -
scooter peugeot Problème vitesse Peugeot Vivacity
le_salvatore a répondu à un(e) question de le_salvatore dans Configuration
Merci de votre aide ! . Oui mon variateur est débrider . Et pour le pot une conaisance me la donnée comme sa sans rien avec. ll avait eu déjà sur un speedfihgt quand ll a acheter et quand il a déclasser il ma donner son pot qui était nickel. Je ne conait donc pas l'histoire de se pot qui à beaucoup voyager. Il parait q'uil y a une bride a l'enter mais je ne la trouve pas. j'ai passer mon doig dedans et je sans aucun conne ni retrecisement -
scooter peugeot chanement ressorts
le_salvatore a répondu à un(e) question de wuytack dans Variation et transmission
Mon vendeur m'a donner un ressort de poussée Jaune Malossi et c'est pas trop mal, Et à combient tu vas avec ton vivacity ? -
scooter peugeot Problème vitesse Peugeot Vivacity
le_salvatore a répondu à un(e) question de le_salvatore dans Configuration
A (mais je voit pas ce que ça change puisque la cylindré est la même sur les 2) .J'ai oublier de prèciser que j'ai changer le piston, la culasse et le vilebrequin et le pot au mois de septembre, mais il a toujours été a cette vitesse la même avec mon pot Technigas et les ancienne pièces. La courroie et la cloche d'embrayage ont également été changer il n'y as pas longtemps -
scooter peugeot Problème vitesse Peugeot Vivacity
le_salvatore a répondu à un(e) question de le_salvatore dans Configuration
Au démarage il a un peu de peine, mais sa reste convenable par rapport a avant ou je devais m'aider des pied pour reppartir des feux rouge -
scooter peugeot Problème vitesse Peugeot Vivacity
le_salvatore a posté une question dans Configuration
Je n'arrive pas a dépasser les 55-60km/h avec mon vivacity. Plusieurs perssones disent qu'elle vont a 70-80 certain même jusque 90km/h d'origine juste débrider. Comment je peux faire pour gagner en vitesse au moins jusque 80 s'il vous plaît. Je suis tout do'rigine sauf - ressort de poussée jaune malossi - galet de 6.2gr -pot leovince ZXR