JSP SCOOTER (tom67) Posté(e) le 3 mai 2013 Auteur Signaler Partager Posté(e) le 3 mai 2013 Salut tom, j'ai besoin de savoir l'ordre des couleur des fils qui se branche au régulateur quand on l'à en face de soit, pour un régulateur de ce type : http://www.la-becanerie.com/scooter/electrique/regulateurs-de-tension/regulateur-de-tension-booster1.html de gauche à droite devant le scoot = rouge/jaune - noir - blanc - rouge Lien vers le commentaire Partager sur d’autres sites More sharing options...
booster juju Posté(e) le 3 mai 2013 Signaler Partager Posté(e) le 3 mai 2013 feu de croisement/feu de route un des câbles qui vas dessus est blanc? J'ai absolument tout dessus, et oui il y a un blanc, un rouge jaune, un noir, et deux rouge sur une cosse 1 Lien vers le commentaire Partager sur d’autres sites More sharing options...
booster juju Posté(e) le 3 mai 2013 Signaler Partager Posté(e) le 3 mai 2013 de gauche à droite devant le scoot = rouge/jaune - noir - blanc - rouge ok d'acc :) merci :D 1 Lien vers le commentaire Partager sur d’autres sites More sharing options...
JSP SCOOTER (tom67) Posté(e) le 3 mai 2013 Auteur Signaler Partager Posté(e) le 3 mai 2013 il y a aussi 2 rouges/jaune normalement branché ensemble Lien vers le commentaire Partager sur d’autres sites More sharing options...
booster juju Posté(e) le 3 mai 2013 Signaler Partager Posté(e) le 3 mai 2013 il y a aussi 2 rouges/jaune normalement branché ensemble Ah j'ai pas :/ 1 Lien vers le commentaire Partager sur d’autres sites More sharing options...
Sn4ck Posté(e) le 23 juin 2013 Signaler Partager Posté(e) le 23 juin 2013 question tom ^^ Le fil noir et blanc du CDI ( alimenté par le neiman ) c'est du plus ou du moins pour coupé l'alimentation du CDI? 1 Lien vers le commentaire Partager sur d’autres sites More sharing options...
JSP SCOOTER (tom67) Posté(e) le 23 juin 2013 Auteur Signaler Partager Posté(e) le 23 juin 2013 question tom ^^ Le fil noir et blanc du CDI ( alimenté par le neiman ) c'est du plus ou du moins pour coupé l'alimentation du CDI? c'est du - quand il n'est pas branché (ou alors "plus en contact" quand on met la clef sur ON) le moteur tourne. quand il est "en contact avec la masse" (clef sur OFF) le CDI coupe. 1 Lien vers le commentaire Partager sur d’autres sites More sharing options...
Sn4ck Posté(e) le 23 juin 2013 Signaler Partager Posté(e) le 23 juin 2013 (modifié) merci tom ;) Plus cas faire les modif du neiman ( 3 fils au lieu de 5... ) xD en même temps pour 20€... j'ai pas envie de pigeonné le futur acheteur lol Modifié le 23 juin 2013 par Sn4ck 1 Lien vers le commentaire Partager sur d’autres sites More sharing options...
jerry06 Posté(e) le 10 mai 2014 Signaler Partager Posté(e) le 10 mai 2014 Bonjour Voilà, je vous explique mon problème. Je me suis fait volé mon scooter, que j'ais récupéré aujourd'hui a la fourrière. Ils ont forcé le neiman et on coupé les files pour pouvoir le faire démarrer. J ais réussi à rebrancher les files un par un. Et quand j ais mis la clé dans le contacte le scooter a démarrer, a parement la serrure du contact a pas été endommagé car je peux démarrer le scooter que avec la clé. Mais je peux plus bloqué le guidon. Les clignotants ne fonctionne plus et quand je freine le feu arrière ne s allume plus. j'ai commandé un nouveau neiman, es que de changer le neiman ça va régler le problème? J ais aussi echeter une nouvelle batterie Si quelqu'un a une solution pour ce problème? Merci Jerry06 1 Lien vers le commentaire Partager sur d’autres sites More sharing options...
JSP SCOOTER (tom67) Posté(e) le 11 mai 2014 Auteur Signaler Partager Posté(e) le 11 mai 2014 Bonjour Voilà, je vous explique mon problème. Je me suis fait volé mon scooter, que j'ais récupéré aujourd'hui a la fourrière. Ils ont forcé le neiman et on coupé les files pour pouvoir le faire démarrer. J ais réussi à rebrancher les files un par un. Et quand j ais mis la clé dans le contacte le scooter a démarrer, a parement la serrure du contact a pas été endommagé car je peux démarrer le scooter que avec la clé. Mais je peux plus bloqué le guidon. Les clignotants ne fonctionne plus et quand je freine le feu arrière ne s allume plus. j'ai commandé un nouveau neiman, es que de changer le neiman ça va régler le problème? J ais aussi echeter une nouvelle batterie Si quelqu'un a une solution pour ce problème? Merci Jerry06 ce n'est pas un booster? je ne connais donc pas son faisceau. Lien vers le commentaire Partager sur d’autres sites More sharing options...
GoProto 13 Posté(e) le 15 mai 2014 Signaler Partager Posté(e) le 15 mai 2014 Merci pour ce tutoriel ! :) Intéressant. 1 Lien vers le commentaire Partager sur d’autres sites More sharing options...
JSP SCOOTER (tom67) Posté(e) le 19 août 2015 Auteur Signaler Partager Posté(e) le 19 août 2015 pas de quoi Lien vers le commentaire Partager sur d’autres sites More sharing options...
JSP SCOOTER (tom67) Posté(e) le 15 mars 2016 Auteur Signaler Partager Posté(e) le 15 mars 2016 Lien vers le commentaire Partager sur d’autres sites More sharing options...
greg1306 Posté(e) le 22 avril 2016 Signaler Partager Posté(e) le 22 avril 2016 voilla bonjour j'ai un boster année 1998 voilla j'ai ft un nettoyage moteur car il a plus tourner depuis 3ans il a démarrer nikel donc niveau cdi il est bon nouvel bougie mais g pas d arriver a la bougie et je précise que avant le démontage il tourner mais avec pas mal de rater si on serai m aider merci a vous 1 Lien vers le commentaire Partager sur d’autres sites More sharing options...
JSP SCOOTER (tom67) Posté(e) le 22 avril 2016 Auteur Signaler Partager Posté(e) le 22 avril 2016 salut, tu parles d'arrivée d'essence, la cuve du carburateur se rempli? sinon change le cylindre/piston t'en a des pas cher, et les joints spi vilebrequin pour être tranquille Lien vers le commentaire Partager sur d’autres sites More sharing options...
greg1306 Posté(e) le 22 avril 2016 Signaler Partager Posté(e) le 22 avril 2016 (modifié) salut non le moteur tourner bien puis depuis mon nettoyage sais un problème d arriver de courant au niveau la bougie g tester le cdi de mon boster qui lui roule.. rien ne change. nouveau capuchon de bougie aussi le problème de mon sourd lol et que j'ai plus d arriver de courant Modifié le 22 avril 2016 par greg1306 1 Lien vers le commentaire Partager sur d’autres sites More sharing options...
Leesion Posté(e) le 22 avril 2016 Signaler Partager Posté(e) le 22 avril 2016 Essai la bobine 1 Lien vers le commentaire Partager sur d’autres sites More sharing options...
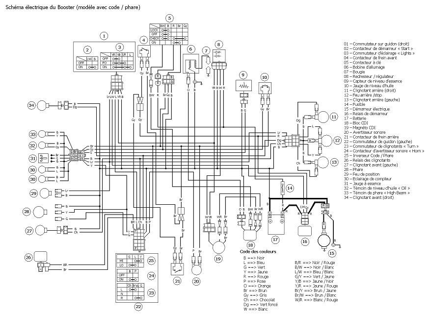
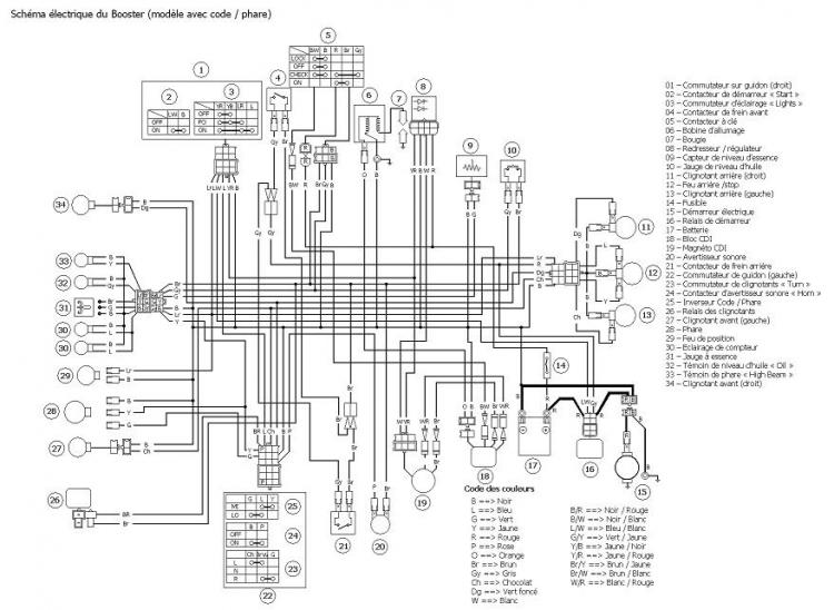
dada65 Posté(e) le 22 avril 2016 Signaler Partager Posté(e) le 22 avril 2016 Le 27/3/2013 at 02:13, JSP SCOOTER (tom67) a dit : Bonjour, Voici une explication du system électrique d’un booster en général (peut changer suivant l'année) mais peut servir de base pour d'autres models de scooter, uniquement la couleur des câbles change, le fonctionnement est +/- le même : La batterie est relié (+12v) à 3 éléments: et le (–) masse (noir) pour tous les composants électrique, qui est aussi relié au cadre.1- sur le neiman clef (+12v protégé par un fusible )2- sur le régulateur (+12v protégé par un fusible )3- sur le relais de démarreur (gros câble), qui est lui en parallèle alimenté par l’interrupteur sur le commodo qui ferme le circuit du relais pour alimenter de démarreur.1 -Le neiman alimente : - le bloc CDI (noir/blanc) - la jauche à essence du tableau de bord (brun) - la centrale de clignotant (brun) - les contacteurs de feu-stop (brun) qui une fois activé, active aussi le relai de démarreur - avertisseur sonore (brun) - la jauche de niveau d’huile + témoins (gris)2- Le régulateur alimente : - le commutateur d’éclairage (jaune/rouge) qui alimente les feux et l’éclairage du tableau de bord. -la batterie L'allumage alimente le bloc CDI par deux câbles (noir/rouge et blanc/rouge). Celui-ci alimente aussi le régulateur par le câble blanc ce qui permet de recharger la batterie, c'est à dire le câble rouge qui repart du régulateur vers la batterie. Le bloc CDI alimente la bobine d'allumage (orange) qui alimente la bougie. La centrale clignotante est alimenté par (brun) qui arrive du neiman, qui alimente a son tour le contacteur de clignotants qui dispatche sur les ampoules de clignotants. La centrale de clignotant se met en route que lorsque le courant est utilisé par une ampoule.3 -Le relais de démarreur est alimenté par deux, une fois des contacteurs de feu-stop et une fois par le bouton sur le commodo, ce n’est que lorsque ces 2 alimentations arrivent au relais que celui-ci laisse passer le +12v de la batterie vers le démarreur qui se met en marche aussitôt. Le contacteur de l’avertisseur sonore est une masse qui est donné à celui-ci qui est déjà alimenté pas le brun du contacteur clef, ce qui donne une réaction de court circuit qui fait vibrer une membrane ce qui donne le son. La jauge à huile est un simple interrupteur qui s'actionne quand le niveau est bas et donc allume le témoins du tableau de bord. La jauge à essence est un contacteur qui coulisse sur deux tiges de cuivre qui plus il monte et plus il donne un voltage puissant pour faire monter l’aiguille de la gauche sur tableau de bord. Il faut savoir que le bloc moteur doit être relié au cadre par une masse pour que l'allumage puisse fonctionner correctement. Dans certains cas cette masse est transmise par le Noir qui vas de la batterie/cadre au démarreur. Il n'y a aucun autre passage de masse entre le bloc et le cadre car il y a des cylin-bloc et des roulements au niveau de l'axe moteur et de l'amortisseur. top merci sa tombe bien je dois en refaire un merci l ami 2 Lien vers le commentaire Partager sur d’autres sites More sharing options...
Teddy28 Posté(e) le 26 avril 2016 Signaler Partager Posté(e) le 26 avril 2016 (modifié) Salut a tous j'ai un rocket de 1996 le problème c'est que tout fonctionne sauf le plein phare et les clignotant.. j'ai changé la central clignotant le fusible ampoule et toujours rien.. Mes mon commodo gauche a le klaxone les phare et clignotant je crois c'est pas le bon prêtre la source du problème?? Modifié le 26 avril 2016 par Teddy28 Lien vers le commentaire Partager sur d’autres sites More sharing options...
JSP SCOOTER (tom67) Posté(e) le 26 avril 2016 Auteur Signaler Partager Posté(e) le 26 avril 2016 salut, le courant arrives à ton commodo gauche§ (clignotant et feu, pour le feu tu as 1 entrée au commodo et 2 sorties) et sur celui de droite pour ON/OFF les feux? Lien vers le commentaire Partager sur d’autres sites More sharing options...
BigoProd Posté(e) le 12 juillet 2016 Signaler Partager Posté(e) le 12 juillet 2016 Bonjour, J'ai vue que le sujet daté de 2013, mais j'ai un petit problème avec mon faisceau du spirit, Pas mal de fils ont était modifier, et je n'arrive pas a trouver les bon pour remettre les clignotant ( Relais a LED ) mes phare et aussi mon feux stop, si vous avais des idées, je suis preneur. Merci Lien vers le commentaire Partager sur d’autres sites More sharing options...
Leesion Posté(e) le 12 juillet 2016 Signaler Partager Posté(e) le 12 juillet 2016 Les fils sont trop proches les uns des autres qu'on puisse bien t'aider. Relais clignotant fils marron clair et noir. Si c'est un bipole. Clignotant droit vert foncé et noir Clignotant gauche marron foncé et noir Feu stop. Bleu , jaune et noir . feu avant . Jaune et noir contacteur frein vert/jjaune et marron clair 2 Lien vers le commentaire Partager sur d’autres sites More sharing options...
BigoProd Posté(e) le 12 juillet 2016 Signaler Partager Posté(e) le 12 juillet 2016 Oui, je vais refaire des photos clair aujourd'hui si je peux, je te remercie Leesion, je vous tiens vite au courant. 2 Lien vers le commentaire Partager sur d’autres sites More sharing options...
jimmy@ Posté(e) le 12 juillet 2016 Signaler Partager Posté(e) le 12 juillet 2016 avec ça ça seras plus facile . 3 Lien vers le commentaire Partager sur d’autres sites More sharing options...
gerald267 Posté(e) le 10 mars 2019 Signaler Partager Posté(e) le 10 mars 2019 (modifié) Bonsoir, j'ai besoin d'aide, HELPPPPP J'ai bien vu le tableau génial des branchements mais J'ai un souci, je n'ai pas de fil blanc sur mon compteur Naked ... J'ai un Booster spirit de 2014 et j'ai récupéré un compteur digital de booster NAKED a parement ... mais une version ou il n'y a pas de fil blanc, pas de jaune/noir et pas de rose et violet . j'ai des couleur genre brun , tout bleu ... Et sur mon faisceau j'ai pas de bleu mais un bleu rouge , etc ... J'ai réussi a brancher les clignotants et le voyant phare mais l'écran ne s'allume pas alors que la personne a pris la photo alors qu'il était allumé.... Pouvez vous m'aider ? première photo faisceau du scooter .... fils du compteur merci pour vos retours .... Modifié le 10 mars 2019 par gerald267 Lien vers le commentaire Partager sur d’autres sites More sharing options...
Messages recommandés
Créer un compte ou se connecter pour commenter
Vous devez être membre afin de pouvoir déposer un commentaire
Créer un compte
Créez un compte sur notre communauté. C’est facile !
Créer un nouveau compteSe connecter
Vous avez déjà un compte ? Connectez-vous ici.
Connectez-vous maintenant