Aller au contenu

Question

Posté(e)

bonjour,

juste besoin d'une info, sur le branchement des masses mvt dd , j'aimerais savoir si en les mettant sur le cadre et non sur la bobine, cela peut causer problème a son bon fonctionnement, démarre et s’arrête directe .

caler 0.4

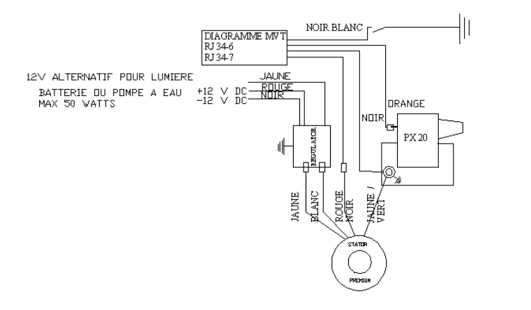
prise 4 fich stator brancher normal

noir/rouge avec noir/rouge diag

marron sur fil marron cdi

orange sur bobine

et noir stator /noir diag brancher sur cadre

j'ai pas penser a vérifier, j'ai déjà remonter allumage origine...

ou pensez vous a un autre prob

Messages recommandés

  • 0
Posté(e) (modifié)
il y a 36 minutes, noux a dit :

oui se serrai étonnent mais bon a vérifier quand même 

comme tu explique on dirai vraiment un prob de mass 

 

il pétarade comme des ruptur un peu ?

exactement, le stator peut être en cause aussi,du coup je peux pas accélerer...s’arrête direct !!

la charte mvt et je verrais bien...(j'aurais du le prendre direct en neuf)

j'ai fait affaire avec un petit enfoiré...

Modifié par sesam
  • 0
Posté(e)
il y a 4 minutes, noux a dit :

essay de passé une grosse masse du block au cadre et si sa bug encore c'est que l'allumage a un prob 

la charte mvt a 100 eu, vu l’état du stator, deux trois bing...

il y a 6 minutes, noux a dit :

essay de passé une grosse masse du block au cadre et si sa bug encore c'est que l'allumage a un prob 

genre cela !!! mais a l’arrêt...et là tu vois ce que je veux dire !!!

  • 0
Posté(e) (modifié)

a oui on dirai même que le vilebrequin était voilé ou roulement de vilebrequin mort 

est-ce que le cdi a une petite bosse comme si il avai chauffé si tu voi ce que je ve dir ?

Modifié par noux
  • 0
Posté(e) (modifié)
il y a 12 minutes, noux a dit :

a oui on dirai même que le vilebrequin était voilé ou roulement de vilebrequin mort 

çà ressemble plus a un truc,comme un bout de métal sur le rotor, et paf tu démarres...

et paf, ça s’arrête... :cool:

a les gosses, je te jure...:ouf:

Modifié par sesam
  • 0
Posté(e)

rapl le et raméne lui , prend un neuf sur cdiscount il y en a et tu peux payé en 4 fois 

sen frai

 

tu et pas le seul à avoir acheter un dd qui déconne beaucoup sur le bon coin sont mort 

  • 0
Posté(e) (modifié)
il y a une heure, noux a dit :

rapl le et raméne lui , prend un neuf sur cdiscount il y en a et tu peux payé en 4 fois 

sen frai

 

:ouf:...ouais c'est ce que j'aurais du faire..."cdiscount"en scootfast !!!

 

Modifié par sesam
  • 0
Posté(e) (modifié)
Le 10/12/2019 à 21:11, jimmy@ a dit :

noublis pas de gratté la peinture a l'androit ou tu fixe tes masse. c'est quoi ce fils blanc a la masse ?

tu fixe tout ici: le noir et la masse indépandente que tu fixe sur le bm , sur une des vis du cache volute par exemple.

20191208_155032.jpg.84e559eaa8d53df0840263c4ca10a5af.jpg.04edc0da0f606f403dd91808175919f0.jpg

 

 

Bonjour,

 

C'est quoi la masse indépendante ?

 

C'est ça ? (fil noir et blanc )

 

 

11.jpg

Modifié par Javelin22
  • 0
Posté(e)

je regarderais sur le mien demain pour lre fils noir et blanc pour être sur . la masse indépandante , c'est un câble de bonne section qui vas du cadre aux moteur.

  • 0
Posté(e)
Le 20/12/2019 à 22:06, jimmy@ a dit :

je regarderais sur le mien demain pour lre fils noir et blanc pour être sur . la masse indépandante , c'est un câble de bonne section qui vas du cadre aux moteur.

Merci

  • 0
Posté(e) (modifié)

j'ai récemment gratter mes poles de batterie +/- ainsi que mes vis plus un graissage pour éviter l oxidation,c'est vraiment benefic... le recharge est meilleur,ainsi que le démarrage électrique !!! :socool2:

mon Mvt dd arrive demain, stator + rotor + diagram changer pour 100 eu, ça vaut le coup !! :cool:

Modifié par sesam
  • 0
Posté(e)
Il y a 4 heures, sesam a dit :

j'ai récemment gratter mes poles de batterie +/- ainsi que mes vis plus un graissage pour éviter l oxidation,c'est vraiment benefic... le recharge est meilleur,ainsi que le démarrage électrique !!! :socool2:

Un graissage ??? Pas génial pour favoriser la qualité du contact électrique entre 2 pièces. Sauf si tu graisse l'ensemble après assemblage, bien sûr.

  • 0
Posté(e)
il y a 36 minutes, Javelin22 a dit :

Un graissage ??? Pas génial pour favoriser la qualité du contact électrique entre 2 pièces. Sauf si tu graisse l'ensemble après assemblage, bien sûr.

il y a de la graisse cuivré expré

  • 0
Posté(e) (modifié)

et voilà !!! :teuf:...

retour mvt, le top !!! tout neuf de chez tout neuf...:socool2:

achat 150 eu + charte 100 eu 

il y a plus qu'a le monter !!!

20191224_105859.jpg

20191224_105836.jpg

20191224_110113.jpg

Modifié par sesam
  • 0
Posté(e)
Le Monday, December 23, 2019 à 14:02, noux a dit :

j'ai maté sur ma derbi le noir et blanc et branché sur le cadre avec le régulateur

si ça peut t'aidé

Merci, c'est cool. Je mettrais ça sur le cadre avec une masse indépendante vers le moteur. J'ai pas besoin de régulateur sur le runner SP, faut juste refaire un peu le cablage. 

Invité
Ce sujet ne peut plus recevoir de nouvelles réponses.
×
×
  • Créer...